Cấu tạo, Nguyên lý hoạt động của tủ mát công nghiệp

Tủ mát là thiết bị quan trọng trong bếp công nghiệp, nhà hàng, siêu thị, giúp bảo quản thực phẩm ở nhiệt độ ổn định từ 0°C – 10°C. Tuy nhiên, không phải cũng hiểu được nguyên lý hoạt động của tủ mát. Vì vậy, ở bài viết này Vĩnh Hoàng Kitchens sẽ giải thích nguyên lý hoạt động của tủ mát từ A–Z, giúp bạn hiểu rõ cấu tạo – cách vận hành – và cách tủ duy trì độ lạnh ổn định.

Tủ mát làm lạnh ra sao?

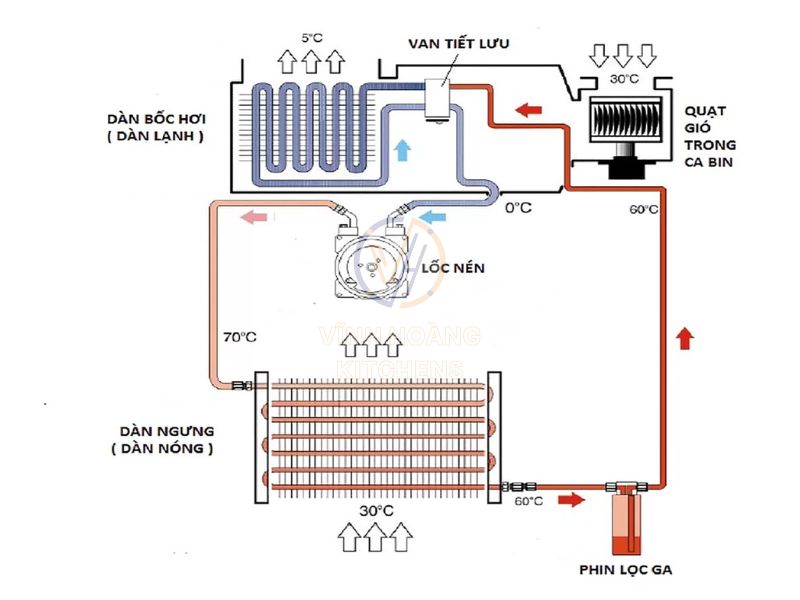
Hiểu đơn giản, tủ mát làm lạnh dựa trên chu trình nén – ngưng tụ – tiết lưu – bay hơi của môi chất lạnh (gas lạnh). Gas lạnh tuần hoàn liên tục qua 4 bộ phận chính: block nén – dàn nóng – van tiết lưu – dàn lạnh, tạo ra hơi lạnh thổi đều khắp khoang tủ.

Nguyên lý hoạt động của tủ mát công nghiệpNguyên lý hoạt động của tủ mát công nghiệp

Cụ thể, nguyên lý hoạt động tủ mát sẽ bao gồm các bước như sau:

  • Bước 1: Block nén → nén gas → tăng áp suất & nhiệt
  • Bước 2: Gas nóng → qua dàn nóng → tỏa nhiệt ra ngoài → hóa lỏng
  • Bước 3: Gas lỏng → qua van tiết lưu → giảm áp đột ngột → trở nên lạnh sâu
  • Bước 4: Gas lạnh → vào dàn lạnh → hấp thụ nhiệt trong tủ → tạo hơi lạnh

Chu trình lặp lại liên tục 24/24, giúp tủ duy trì mức nhiệt ổn định.

Cấu tạo tủ mát và vai trò từng bộ phận

Block nén

Block nén (compressor) có nhiệm vụ hút gas từ dàn lạnh và nén lên áp suất cao, tạo ra nguồn năng lượng cho cả hệ thống làm lạnh.

Block nén hay còn gọi là máy nénBlock nén hay còn gọi là máy nén

Vai trò:

  • Tạo áp suất và nhiệt độ cần thiết cho chu trình làm lạnh.
  • Giúp tủ đạt nhiệt độ ổn định.
  • Vận hành êm, tiết kiệm điện do tủ mát Vĩnh Hoàng Kitchens sử dụng máy nén Danfoss.

Dàn nóng – Tỏa nhiệt ra môi trường

Dàn nóng thường làm bằng đồng và được đặt phía sau hoặc dưới tủ.

Dàn nóng thường được làm bằng đồngDàn nóng thường được làm bằng đồng

Vai trò:

  • Nhận gas nóng từ block.
  • Tản nhiệt ra môi trường.
  • Làm gas ngưng tụ thành chất lỏng.
  • Dàn nóng hoạt động ổn định giúp tủ tiết kiệm điện và bền hơn.

Van tiết lưu – Giảm áp, tạo lạnh sâu

Van tiết lưu điều chỉnh lưu lượng gas và giảm áp suất gas đột ngột trước khi đi vào dàn lạnh.

Van tiết lưuVan tiết lưu

Vai trò:

  • Chuyển gas lỏng áp suất cao → gas lạnh áp suất thấp
  • Tạo điều kiện để dàn lạnh hấp thụ nhiệt tốt hơn

Dàn lạnh – Tạo ra hơi lạnh

Dàn lạnh là nơi gas lạnh bay hơi và hấp thụ nhiệt trong khoang tủ, tạo ra hơi lạnh đưa vào bên trong.

Dàn lạnhDàn lạnh

Ưu điểm của dàn lạnh ống đồng:

  • Làm lạnh nhanh
  • Bền hơn ống nhôm
  • Hạn chế đóng tuyết

Quạt đối lưu – Thổi lạnh đều khắp tủ

Quạt đối lưu giúp phân bổ khí lạnh đến mọi góc tủ, giữ nhiệt độ đồng nhất.

Quạt gió đối lưuQuạt gió đối lưu

Lợi ích:

  • Không có điểm “nóng – lạnh” lệch nhau
  • Giúp rau củ, nước uống luôn tươi mát
  • Tránh hiện tượng đóng tuyết

Xem thêm: Tủ mát đứng là gì? Ưu điểm, cấu tạo và ứng dụng thực tế

Mẹo sử dụng tủ mát bền lâu, hiệu suất làm lạnh cao

Để tủ mát tại cửa hàng, siêu thị hay nhà hàng vận hành ổn định và cho hiệu quả làm lạnh cao, bạn có thể áp dụng một số thói quen sử dụng đúng cách sau đây:

  • Không chất thực phẩm quá đầy: Khi tủ bị nhồi nhét, luồng khí lạnh không thể lưu thông đều, khiến block phải chạy liên tục để bù nhiệt.
  • Sắp xếp thực phẩm ngăn nắp: Hãy để thực phẩm nguội hẳn rồi mới cho vào tủ và sử dụng hộp đựng hoặc màng bọc kín để hạn chế lẫn mùi.

Tránh mở tủ quá nhiều lầnTránh mở tủ quá nhiều lần

  • Tránh mở cửa tủ quá nhiều lần: Mỗi lần mở cửa, khí lạnh thoát ra và không khí nóng lọt vào. Việc này khiến tủ phải làm việc nhiều hơn, dễ gây quá tải và làm giảm tuổi thọ block nén.
  • Theo dõi tình trạng gioăng cửa: Gioăng cao su có nhiệm vụ giữ độ kín cho cánh tủ. Nếu gioăng bị rách, chai cứng hoặc mất độ đàn hồi, hơi lạnh sẽ rò rỉ ra ngoài, dẫn đến tủ làm lạnh kém và tốn điện hơn bình thường.
  • Vệ sinh dàn nóng và dàn lạnh định kỳ: Khi bám bụi, các dàn này không thể trao đổi nhiệt hiệu quả, khiến hiệu suất làm lạnh giảm sút rõ rệt.
  • Đặt tủ ở nơi thoáng mát: Hạn chế để tủ gần bếp, lò nướng hoặc vị trí có ánh nắng chiếu trực tiếp. Phía sau và hai bên tủ nên có khoảng trống nhất định để tản nhiệt tốt hơn.
  • Không cho thực phẩm còn nóng vào tủ: Hơi nóng làm nhiệt độ trong tủ tăng đột ngột, khiến máy nén phải chạy hết công suất để giảm nhiệt trở lại, gây hao điện và dễ làm block nhanh xuống cấp.
  • Cài đặt nhiệt độ phù hợp: Nhiệt độ lý tưởng cho ngăn mát thường nằm trong khoảng 2–4°C. Mức nhiệt này đủ để giữ thực phẩm tươi lâu mà vẫn đảm bảo tiết kiệm điện.

Lý do bạn nên chọn tủ mát inox 304 thay vì tủ mát thông thường

Hy vọng với những thông tin trên, bạn đã có cái nhìn toàn diện và rõ ràng về nguyên lý hoạt động của tủ mát. Việc nắm vững cơ chế này không chỉ giúp chúng ta sử dụng thiết bị hiệu quả hơn mà còn biết cách bảo quản thực phẩm tối ưu. Để tư vấn chi hơn về các dòng tủ mát, hãy liên hệ với chúng tôi qua hotline 0961 002 173 | 0977 829 643.

Để lại một bình luận

Email của bạn sẽ không được hiển thị công khai. Các trường bắt buộc được đánh dấu *

Tủ mát đứng là gì? Ưu điểm, cấu tạo và ứng dụng thực tế

Tủ mát đứng là gì? Ưu điểm, cấu tạo và ứng dụng thực tế

Tủ mát đứng là thiết bị bảo quản thực phẩm quen thuộc, xuất hiện phổ biến trong siêu thị, cửa hàng tiện lợi và các cửa hàng thực phẩm sạch....

Lý do bạn nên chọn tủ mát inox 304 thay vì tủ mát thông thường

Lý do bạn nên chọn tủ mát inox 304 thay vì tủ mát thông thường

Nhiều người băn khoăn liệu có nên đầu tư tủ mát inox 304 hay chọn tủ mát thông thường để tiết kiệm chi phí. Tuy nhiên, việc lựa chọn đúng...

Block tủ mát là gì? Khi nào cần thay thế block tủ mát

Block tủ mát là gì? Khi nào cần thay thế block tủ mát

Block tủ mát hay còn gọi là máy nén, đây là một trong những bộ phận quan trọng nhất của tủ mát công nghiệp. Nó có chức năng nén và...

Khay nước thải tủ mát hoạt động thế nào?

Khay nước thải tủ mát hoạt động thế nào?

Trong quá trình vận hành, tủ mát luôn tạo ra một lượng hơi nước nhất định do hiện tượng ngưng tụ. Để xử lý phần nước này một cách an...

Send contact